3402066
Ano: 2024
Disciplina: Engenharia Eletrônica
Banca: COTEC
Orgão: Pref. Montes Claros-MG
Disciplina: Engenharia Eletrônica
Banca: COTEC
Orgão: Pref. Montes Claros-MG
Provas:
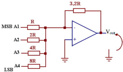
A figura a seguir mostra um conversor digital para analógico (DAC) montado com um amplificador operacional ideal. Sabendo que os valores das entradas A1, A2, A3 e A4 podem assumir valores 0V (nível lógico 0) ou 5V (nível lógico 1), qual o valor da tensão:

Fonte: O autor, 2024.