Magna Concursos
45382 Ano: 2009
Disciplina: Engenharia Eletrônica
Banca: UFRN
Orgão: UFRN
Provas:

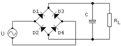
Analise a figura abaixo.

Enunciado 3895505-1

Esse circuito representa um retificador de

 

Provas

Questão presente nas seguintes provas

Técnico de Eletromecânica

30 Questões