
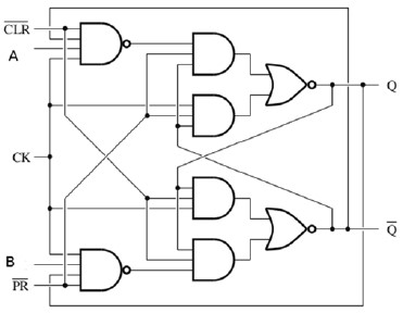
Com base na análise da figura apresentada, assinale a alternativa correspondente à função lógica que realiza o circuito retratado.

Com base na análise da figura apresentada, assinale a alternativa correspondente à função lógica que realiza o circuito retratado.