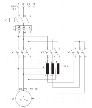
A partir do esquema de ligação do motor de indução trifásico da figura a seguir, pode-se afirmar que o esquema de ligação é uma partida do tipo:

A partir do esquema de ligação do motor de indução trifásico da figura a seguir, pode-se afirmar que o esquema de ligação é uma partida do tipo:
