
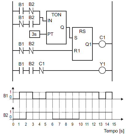
No programa LADDER, da figura acima, B1, B2, C1 e Y1 são variáveis booleanas na memória de um CLP; TON é um temporizador com atraso no acionamento, com tempo especificado em segundos; e RS é um bloco de função biestável com reset dominante.
Em t = 0 s, todas as variáveis booleanas estão em nível lógico 0, o temporizador está zerado e a saída do bloco RS também está zerada. Sabendo-se que B1 e B2 evoluem conforme indicado nos gráficos da figura e, desprezando- se o tempo de varredura do CLP, o tempo acumulado, em segundos, em que Y1 permanece em nível lógico 1, no intervalo de 0 s a 15 s, é
Provas
Questão presente nas seguintes provas
Engenheiro de Equipamentos - Eletricidade Pleno
60 Questões