Magna Concursos
2801235 Ano: 2023
Disciplina: Engenharia Eletrônica
Banca: FUNDATEC
Orgão: COMUSA
Provas:

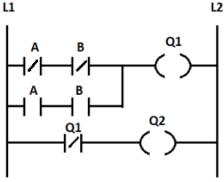
A saída Q2 do diagrama Ladder a seguir representa a seguinte porta lógica:

Enunciado 3582509-1

 

Provas

Questão presente nas seguintes provas

Engenheiro Eletricista

40 Questões