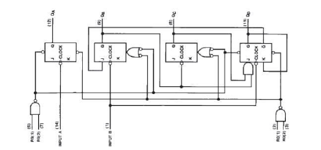
A figura abaixo mostra o diagrama lógico do 74LS90, circuito integrado comercial de tecnologia TTL amplamente utilizado como contador de década ou divisor de frequência.

Pela análise do circuito, é correto afirmar, EXCETO:
A figura abaixo mostra o diagrama lógico do 74LS90, circuito integrado comercial de tecnologia TTL amplamente utilizado como contador de década ou divisor de frequência.

Pela análise do circuito, é correto afirmar, EXCETO: