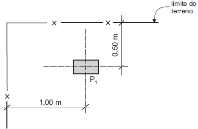
A questão refere-se aos dados e croqui a seguir.

Dados:
- pilar P1 = 20 cm x 40 cm;
- a fundação deverá manter uma distância mínima de 20 cm dos limites do terreno;
- não considerar qualquer valor ou condição não fornecida;
- o pilar é concêntrico à fundação.
A maior sapata retangular possível para a situação apresentada tem sua base com lados, em m, valendo
Provas
Questão presente nas seguintes provas