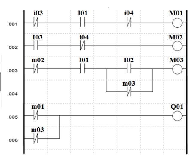
Observe o sistema com duas caixas d’água e um CLP ilustrado a seguir.

Um projetista fez um programa utilizando a linguagem Ladder para automatizar o processo de acionamento da bomba d’água B. Os sensores S1, S2, S3 e S4 são ativados quando entram em contato com a água. Sendo assim, (1) caso o nível de água da caixa auxiliar esteja em S3 ou acima, e o nível de água da caixa principal esteja abaixo de S1, deve-se acionar a bomba B, e (2) caso o nível de água da caixa auxiliar esteja entre S3 e S4, deve-se acionar a bomba B apenas quando o nível de água ficar abaixo de S2 e desligar apenas quando atingir o nível de água atingir S1, e, por fim, (3) caso o nível de água da caixa auxiliar esteja abaixo de S4, deve-se manter a bomba B desligada.
Diante do exposto, assinale a alternativa que ilustra o Programa Ladder que soluciona esse caso.