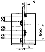
Analise a figura a seguir.

Assinale a opção que representa a simbologia de soldagem indicada na figura acima.
Provas
Questão presente nas seguintes provas
Corpo Auxiliar de Praças - Estruturas Navais
50 Questões
Analise a figura a seguir.

Assinale a opção que representa a simbologia de soldagem indicada na figura acima.