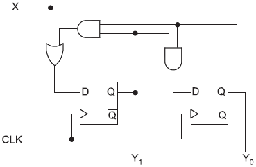
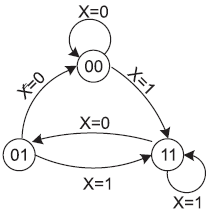
A figura abaixo apresenta o diagrama esquemático de um circuito digital sequencial que recebe como entrada o sinal X.

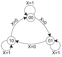
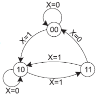
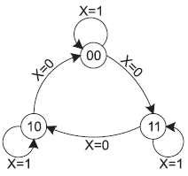
Considerando-se que o estado inicial das saídas dos flip-flops é Y1Y0 = 00, o diagrama de estados que representa o funcionamento desse circuito é dado por