- EletromagnetismoElétricaCircuitos Elétricos Especiais: Leis de Kirchhoff e Ponte de Wheatstone
- EletromagnetismoElétricaEletricidade
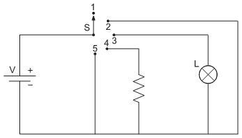
Considere o circuito abaixo onde a tensão nominal da lâmpada L é V.

A posição da chave S que ocasionará o acendimento da lâmpada L é

A posição da chave S que ocasionará o acendimento da lâmpada L é