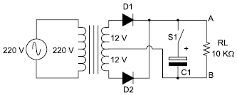
Considere o diagrama da fonte de alimentação mostrada na figura a seguir. O capacitor eletrolítico tem valor igual a 10000 uF, e os diodos de silício D1 e D2 são ideais.

Os valores médios da tensão entre A e B, sobre o resistor de carga RL, com a chave S1 aberta e fechada são, respectivamente: