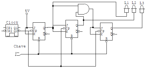
O diagrama abaixo representa um contador binário tipo:

Provas
Questão presente nas seguintes provas
Engenheiro - Produção Eletrônica
40 Questões
Engenheiro - Qualidade
40 Questões
O diagrama abaixo representa um contador binário tipo:
