Magna Concursos
2987652 Ano: 2023
Disciplina: Engenharia Elétrica
Banca: Verbena
Orgão: UFCAT

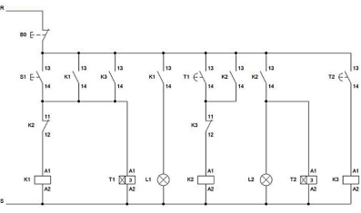
No circuito de comando ilustrado a seguir, são acionadas lâmpadas, denominadas L1 e L2.

Enunciado 3391526-1

Baseando-se nos dados apresentados, ao acionar o botão S1,

 

Provas

Questão presente nas seguintes provas

Técnico de Laboratório - Eletromecânica

50 Questões