Magna Concursos
3282486 Ano: 2013
Disciplina: Engenharia Elétrica
Banca: FEPESE
Orgão: CELESC

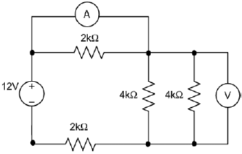
Considere que um circuito experimental foi montado como apresentado a seguir.

Enunciado 3593495-1

No esquema de ligação, o amperímetro e o voltímetro são representados pelas letras A e V, respectivamente. Para fins de análise considere todos os elementos, fonte e instrumentos como sendo ideais.

Em relação ao circuito, é correto afirmar:

 

Provas

Questão presente nas seguintes provas

Técnico Industrial - Eletrônica

50 Questões