Magna Concursos
1342842 Ano: 2016
Disciplina: Engenharia Eletrônica
Banca: UFMG
Orgão: UFMG

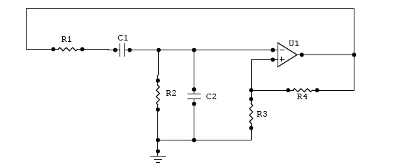
Analise o circuito.

enunciado 1342842-1


Seu funcionamento corresponde a um oscilador:

 

Provas

Questão presente nas seguintes provas

Técnico de Laboratório - Eletrônica

45 Questões