Observe a figura a seguir.

Calcule I2 e I4, respectivamente, no circuito divisor de corrente paralelo, representado acima, e assinale a opção correta.
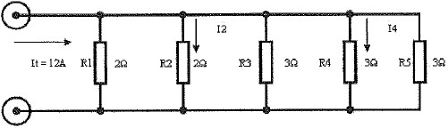
Observe a figura a seguir.

Calcule I2 e I4, respectivamente, no circuito divisor de corrente paralelo, representado acima, e assinale a opção correta.