Magna Concursos
409654 Ano: 2018
Disciplina: Engenharia Civil
Banca: FCC
Orgão: CL-DF

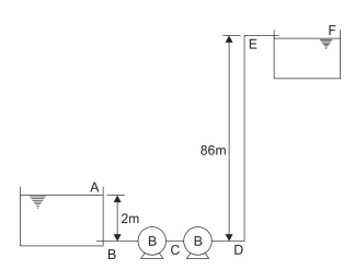
Considere o sistema elevatório de água de um edifício, composto por duas bombas hidráulicas iguais, com rendimento de 86% cada, ligadas em série, dado na figura abaixo.

enunciado 409654-1

Para a execução desse sistema elevatório, projetado para a vazão de 3 litros por segundo de água, utilizou-se 90 m de tubulação, além de singularidades, cujos comprimentos equivalentes somam 10 m. Considerando que a perda de carga unitária seja 0,02 m/m, a potência de cada bomba, em CV, é

 

Provas

Questão presente nas seguintes provas