Magna Concursos
792728 Ano: 2007
Disciplina: Engenharia Elétrica
Banca: CESGRANRIO
Orgão: TCE-RO

Enunciado 792728-1

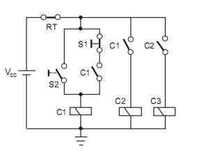
A figura acima apresenta o diagrama elétrico de controle para o acionamento de três máquinas trifásicas, comandadas pelos contatores C1, C2 e C3. As chaves S1 e S2 são do tipo sem retenção. A ação de acionar uma chave significa apertá-la e soltá-la em seguida. Suponha, inicialmente, que os contatores estejam desenergizados e que o operador então aciona a chave S2. Após uma hora, o operador retorna ao quadro de comando e aciona a chave S1. Considerando o funcionamento do sistema em condições normais, após o transitório, o(s):

 

Provas

Questão presente nas seguintes provas