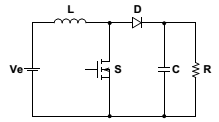
Observe o conversor CC-CC a seguir:

O conversor CC-CC mostrado na figura acima é alimentado com tensão de entrada igual a 12 V e está operando normalmente com razão cíclica de 0,4. Nesse caso, a tensão de saída, em V, é igual a
Observe o conversor CC-CC a seguir:

O conversor CC-CC mostrado na figura acima é alimentado com tensão de entrada igual a 12 V e está operando normalmente com razão cíclica de 0,4. Nesse caso, a tensão de saída, em V, é igual a