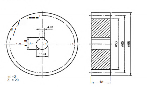
Observe a figura abaixo:

Com base na figura acima faça a correlação entre os elementos da engrenagem e seus valores, assinalando a seguir a opção correta.
ELEMENTOS
1- diâmetro externo.
11- diâmetro primitivo.
111- diâmetro interno.
IV- largura
V- módulo.
VI- número de dentes.
VALORES
( ) 20
( ) 53
( ) 3
( ) 66
( ) 60
( ) 18