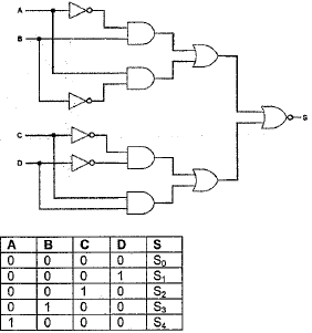
Uma matriz de àudio localizada em um navio possui o circuito lógico apresentado abaixo em seu diagrama esquemático.

Considerando as entradas lógicas A, B, C, e D da tabela acima, quais são os níveis lógicos S0, S1, S2, S3 e S4 observados, respectivamente?
Provas
Questão presente nas seguintes provas
Corpo Auxiliar de Praças - Telecomunicações
50 Questões