
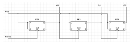
Se a frequência da variável Clock do diagrama da figura precedente for igual a 160 kHz, então as frequências de Q1, Q2 e Q3 serão, respectivamente, iguais a

Se a frequência da variável Clock do diagrama da figura precedente for igual a 160 kHz, então as frequências de Q1, Q2 e Q3 serão, respectivamente, iguais a