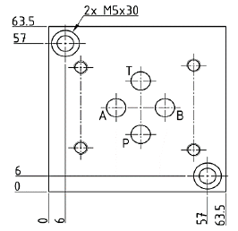
Em um bloco MANIFOLD hidráulico, tem-se a simbologia de processo gravada nele. A esse respeito, assinale a alternativa correta.

Em um bloco MANIFOLD hidráulico, tem-se a simbologia de processo gravada nele. A esse respeito, assinale a alternativa correta.
