
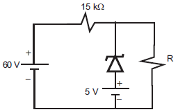
No circuito da figura acima, o Diodo Zener é considerado ideal e opera, em sua região ativa, com tensão nominal de 16 V.
Qual o valor do resistor R, em \( k \Omega \), para que a corrente no Zener seja de 2 mA?

No circuito da figura acima, o Diodo Zener é considerado ideal e opera, em sua região ativa, com tensão nominal de 16 V.
Qual o valor do resistor R, em \( k \Omega \), para que a corrente no Zener seja de 2 mA?