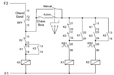
Observe o diagrama do circuito de comando da figura a seguir.

A cada acionamento do circuito pela chave boia, o comportamento dos contatores K1, K2 e K3 será o seguinte:
Observe o diagrama do circuito de comando da figura a seguir.

A cada acionamento do circuito pela chave boia, o comportamento dos contatores K1, K2 e K3 será o seguinte: