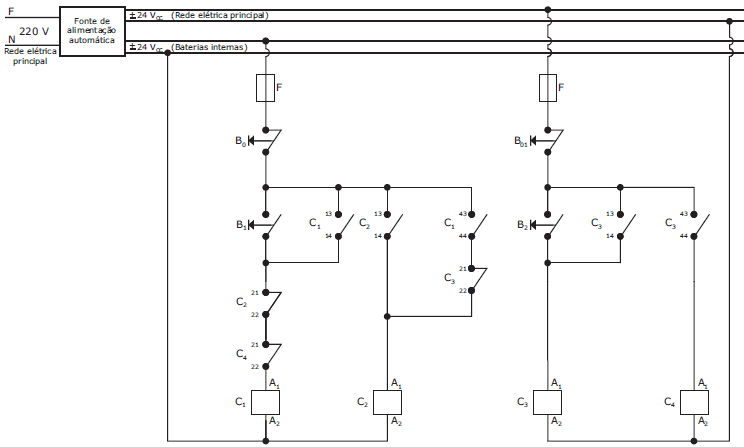
Um circuito lógico de comando para acionamento de cargas elétricas usando contatoras é representado pela figura. O circuito é alimentado por uma fonte de tensão automática que possui dois circuitos de saída. Uma saída é alimentada pela rede elétrica principal e a outra saída é alimentada por baterias internas. Na falta de energia da rede principal, a saída com baterias é energizada, sendo desenergizada com o retorno da energia da rede principal.

Considere a seguinte operação: durante uma falta de energia da rede principal, aciona-se manualmente o botão pulsante B2 e logo após aciona-se manualmente o botão pulsante B1. A(s) contatora(s) que se manterá( ão) energizada(s) após a operação descrita é (são)