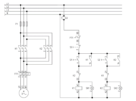
Com relação ao circuito de comando e potência apresentado na figura abaixo é correto afirmar que:

Provas
Questão presente nas seguintes provas
Com relação ao circuito de comando e potência apresentado na figura abaixo é correto afirmar que:
