2336574
Ano: 2022
Disciplina: Engenharia Civil
Banca: Pref. Cândido Abreu-PR
Orgão: Pref. Cândido Abreu-PR
Disciplina: Engenharia Civil
Banca: Pref. Cândido Abreu-PR
Orgão: Pref. Cândido Abreu-PR
Provas:
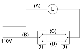
Um dos sistemas mais recorrentes em projetos de instalação elétrica são os
sistemas de iluminação. Os circuitos utilizados para iluminar ambientes podem seguir
diferentes princípios de funcionamento. Um dos dispositivos de acionamento mais usual é o
interruptor paralelo, o qual apresenta o diagrama multifilar simplificado de um circuito
monofásico ilustrado abaixo. Observação: as letras A, B, C e D representam condutores, a
letra I representa os interruptores e a letra L representa a lâmpada.

Sobre o diagrama ilustrado, analise as assertivas abaixo e assinale a alternativa correta.
I. A letra B representa o condutor neutro. II. Nas condições apresentadas, a lâmpada encontra-se acesa. III. As letras C e D representam condutores neutros. IV. A letra A representa o condutor fase.

Sobre o diagrama ilustrado, analise as assertivas abaixo e assinale a alternativa correta.
I. A letra B representa o condutor neutro. II. Nas condições apresentadas, a lâmpada encontra-se acesa. III. As letras C e D representam condutores neutros. IV. A letra A representa o condutor fase.