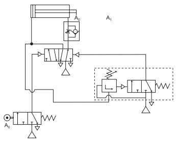
Observe o circuito pneumático na figura abaixo e responda às questões 37 e 38.

O elemento que processa o sinal de fim de curso no avanço do atuador A é o(a):
Observe o circuito pneumático na figura abaixo e responda às questões 37 e 38.

O elemento que processa o sinal de fim de curso no avanço do atuador A é o(a):