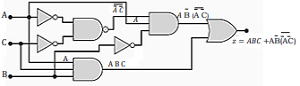
Considere o circuito lógico combinacional apresentado na sequência.

Esse circuito pode ser simplificado de forma que a saída z fique da seguinte forma:
Provas
Questão presente nas seguintes provas
Considere o circuito lógico combinacional apresentado na sequência.

Esse circuito pode ser simplificado de forma que a saída z fique da seguinte forma: