Magna Concursos
78454 Ano: 2005
Disciplina: Engenharia Elétrica
Banca: CESGRANRIO
Orgão: Petrobrás

Enunciado 3322235-1

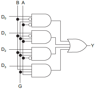
O circuito lógico mostrado na figura é um:

 

Provas

Questão presente nas seguintes provas

Técnico de Manutenção - Eletrônica

70 Questões