Magna Concursos
1864541 Ano: 2007
Disciplina: Engenharia Civil
Banca: FCC
Orgão: TRE-PB

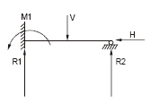
A correta interpretação dos vínculos que podem transmitir à estrutura esforços verticais, horizontais ou momentos é:

enunciado 1864541-1

 

Provas

Questão presente nas seguintes provas