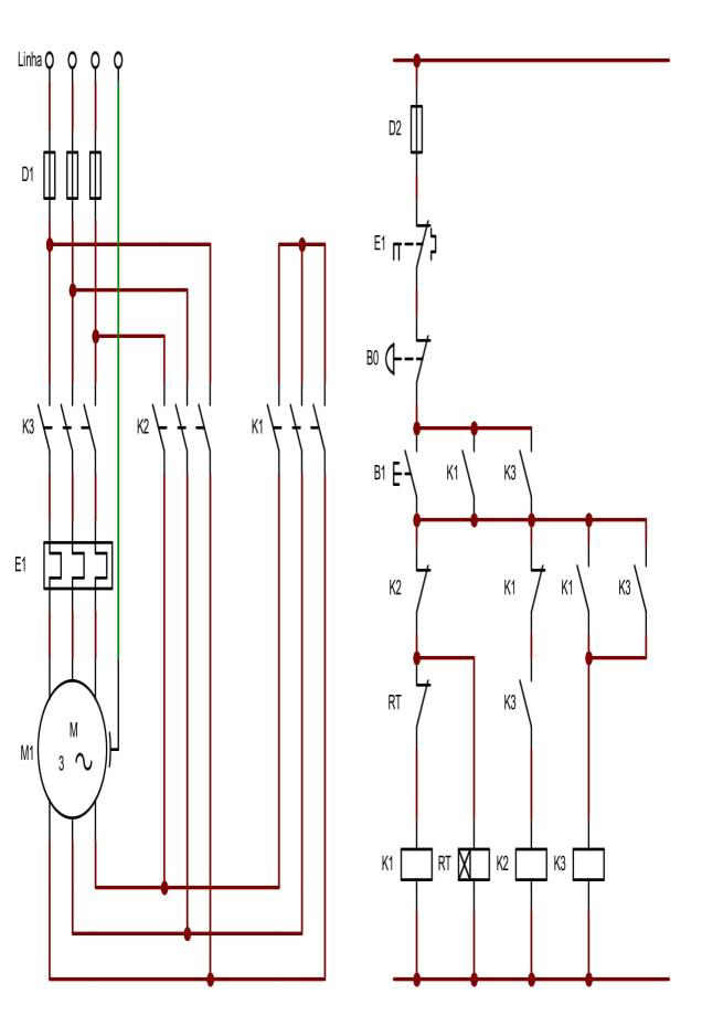
A figura a seguir apresenta o diagrama para partida de um motor. Pode-se afirmar que:

Provas
Questão presente nas seguintes provas
Técnico de Laboratório - Processos Industriais
50 Questões
A figura a seguir apresenta o diagrama para partida de um motor. Pode-se afirmar que:
