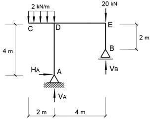
Observe o pórtico ilustrado na figura abaixo.

Fonte: Autoria própria.
Em relação a esse pórtico, analise as afirmativas abaixo.
I A tensão normal atuante na barra AD é de compressão.
II A reação vertical no nó B (VB) é de 22 kN, para cima.
III O pórtico, quanto a sua estaticidade, é classificado como hipostático.
IV A soma das reações verticais nos nós A (VA) e B (VB) é igual a 24 kN.
Estão corretas as afirmativas