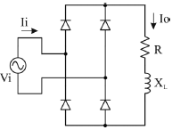
Seja um retificador de onda completa monofásico alimentando uma carga fortemente indutiva, ou seja, !$ X_L >> R !$.

Sabendo que a tensão de entrada é alternada senoidal, qual o formato da corrente da fonte de alimentação (Ii) e da corrente de saída (Io), respectivamente?