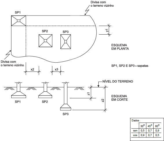
Considere os dados e croquis a seguir, que representam parte das fundações de uma obra, cujo solo é pouco resistente.

Considerando-se que z1 atende às condições da norma e sabendo-se que x3 = 2,70 m, o maior valor de z2, em m, vale
Considere os dados e croquis a seguir, que representam parte das fundações de uma obra, cujo solo é pouco resistente.

Considerando-se que z1 atende às condições da norma e sabendo-se que x3 = 2,70 m, o maior valor de z2, em m, vale