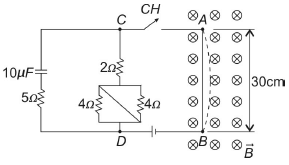
O trecho AB, de comprimento 30 cm, do circuito elétrico abaixo, está imerso num campo magnético uniforme de intensidade 4 T e direção perpendicular ao plano da folha. Quando a chave CH é fechada e o capacitor completamente carregado, atua sobre o trecho AB uma força magnética de intensidade 3 N, deformando-o, conforme a figura.

Sabe-se que os fios são ideais. A intensidade da corrente elétrica, em ampères, e a diferença de potencial elétrico entre os pontos C e D, em volts, são, respectivamente
Provas
Questão presente nas seguintes provas
Curso de Formação de Oficiais Aviadores (CFOAV)
100 Questões
Curso de Formação de Oficiais de Infantaria (CFOINF)
100 Questões