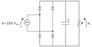
Considere o retificador de ponte completa da figura a seguir.

A tensão de alimentação vi é senoidal, a frequência é de 60Hz e o valor eficaz da tensão é 220V. Se desprezarmos a ondulação de tensão na saída e considerarmos vo contínua, a tensão de saída vo é igual a