Magna Concursos
1884628 Ano: 2017
Disciplina: Engenharia Elétrica
Banca: IF-SUL
Orgão: IF-SUL
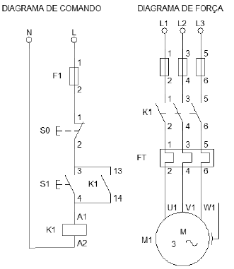
Observe o circuito da figura abaixo.
Enunciado 3563339-1
Nesse circuito, após ser pressionada a botoeira S1, o motor entrou em funcionamento. Após algum tempo, o fusível da fase L2 queimou, deixando o motor em apenas duas fases. O que ocorreu com o motor?
 

Provas

Questão presente nas seguintes provas