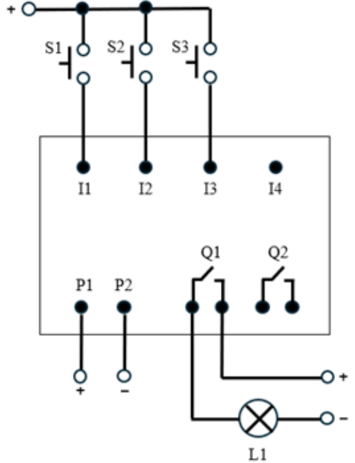
Considere o seguinte esquema elétrico de um CLP, elaborado para implementar uma lógica com a finalidade de ligar/desligar uma lâmpada L1 em determinadas situações de acionamento das chaves S1, S2 e S3:

Fonte: IFSP, 2024.
A lâmpada L1 deve ser ligada nos seguintes casos:
• Caso 1: em qualquer situação na qual a chave S1 estiver fechada. A única exceção é se as chaves S2 e S3 estiverem abertas ao mesmo tempo em que a chave S1 estiver fechada. Especificamente nesta situação, a lâmpada L1 deverá ficar apagada.
• Caso 2: numa situação em que as chaves S1 e S3 estiverem abertas, e a chave S2 estiver fechada.
Qual alternativa a seguir ilustra um programa, em Linguagem de Programação Ladder, para implementar a lógica acima , utilizando a menor quantidade possível de operandos de entrada lógica (operandos I1, I2 e I3)?