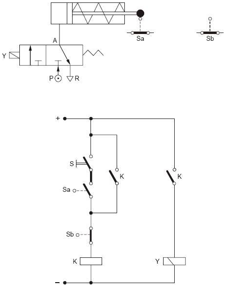
"O esquema apresenta o sistema de comando de uma
válvula eletropneumática unidirecional que alimenta um cilindro
de simples ação com retorno por mola interna e dois sensores
de fim de curso: Sa e Sb."

Sobre a operação do sistema, é correto afirmar que oválvula eletropneumática unidirecional que alimenta um cilindro
de simples ação com retorno por mola interna e dois sensores
de fim de curso: Sa e Sb."

Provas
Questão presente nas seguintes provas
Analista de Defensoria - Engenharia Elétrica
70 Questões