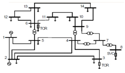
A figura 10 mostra um sistema interligado de geração de energia. Para calcular as potencias em cada barramento são utilizados métodos numéricos para resolver o problema do fluxo de potência. Indique a opção correta de um dos métodos utilizados para a solução do fluxo de potência.

Provas
Questão presente nas seguintes provas