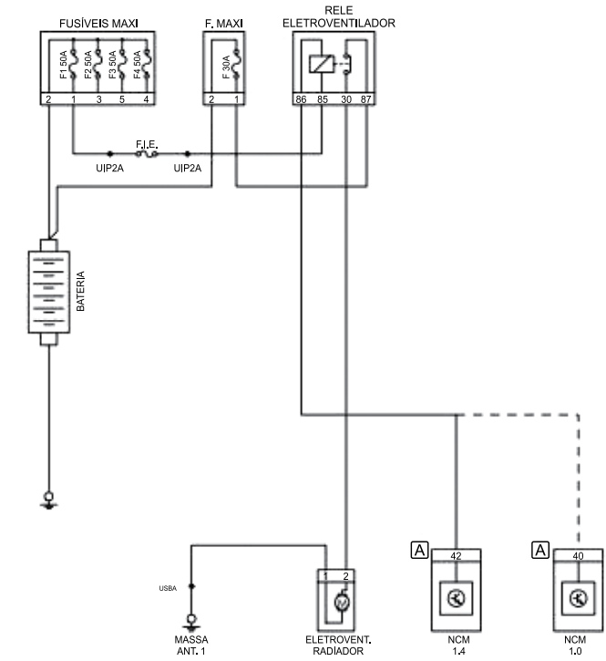
Analise o esquema elétrico a seguir:
É possível afirmar que trata-se de um esquema elétrico do sistema de
arrefecimento com ar-condicionado.
eletroventilador primeira velocidade.
eletroventilador segunda velocidade.
arrefecimento sem ar-condicionado.
eletroventilador da cabina do motorista.
Olá, para continuar, precisamos criar uma conta! É rápido e grátis.