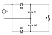
O circuito elétrico abaixo apresenta uma configuração muito conhecida de utilização de diodos.

Supondo V uma fonte de tensão alternada, C1 e C2 de mesmo valor e D1 e D2 diodos semicondutores similares, tem-se que o circuito é um
O circuito elétrico abaixo apresenta uma configuração muito conhecida de utilização de diodos.

Supondo V uma fonte de tensão alternada, C1 e C2 de mesmo valor e D1 e D2 diodos semicondutores similares, tem-se que o circuito é um