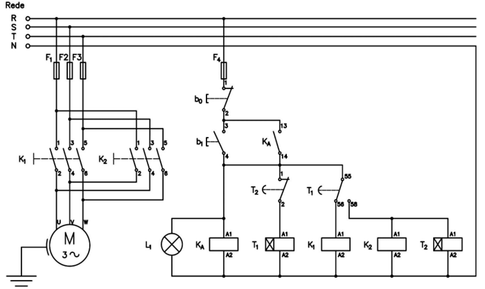
O acionamento de uma máquina elétrica é usualmente dividido em duas partes, a saber: circuito de comando, responsável pela lógica de acionamento da máquina, e o circuito de força, que efetivamente alimenta a máquina, fornecendo energia elétrica. As instalações elétricas de motores monofásicos e trifásicos são representadas esquematicamente pelos diagramas de força e comando. A respeito desses diagramas, responda às questões 35 e 36.
O diagrama apresentado na Figura 5 se refere a que tipo de partida de motor trifásico?

Figura 5 - Elaborada pelo autor.