Magna Concursos
Questões
Planos
Entrar
Entrar
Criar Conta
Respondida
1397249
Ano:
2012
Disciplina:
Engenharia Mecânica
Banca:
UNEB
Orgão:
CERB
Provas:
Oficial de Manutenção e Instalação - Torneiro Mecânico
Provas
×
Sistemas Mecânicos
Processos de Fabricação
Usinagem
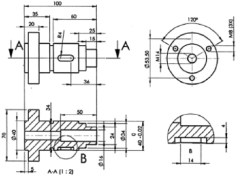
Analisando-se a ilustração, conclui-se que a ferramenta e o equipamento necessário, para fabricação do rasgo Oblongo são
A
broca de centro e fresadora.
B
fresa de topo e fresadora.
C
fresa de topo e furadeira.
D
broca e mandrilhadora.
E
fresa e serra alternada.
Resolver
Comentários
0
×
Cadernos
×
Flashcards
×
Estatísticas
×
Reportar um erro
×
Provas
Questão presente nas seguintes provas
Publicar
Responder
Qual o problema da questão?
Selecione uma opção
Questão Desatualizada
Questão Repetida
Gabarito Errado
Outros Motivos
Mensagem
Enviar
Acessar
Criar Conta
Acesse sua Conta
Google
Facebook
Esqueci minha senha
Acessar
Ainda não tem conta?
Crie uma
!
Crie uma Conta
Criar Conta
Olá, para continuar, precisamos criar uma conta!
É
rápido
e
grátis
.
Google
Facebook
Concordo com os
Termos de Uso
Criar
Já tem uma conta?
Acesse aqui