Magna Concursos
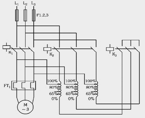
A figura abaixo mostra o diagrama de comando de uma chave compensadora aplicada à partida de um motor de In (220 V) = 80 A e relação Ip/In = 8.
Enunciado 2874999-1
Para um comando em 220 V e TAP do autotransformador de compensação ajustado em 50%, os ajustes mínimos recomendados para os contatores K1, K2 e K3 do circuito de comando de partida são, respectivamente:
 

Provas

Questão presente nas seguintes provas