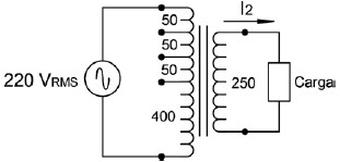
O circuito mostrado na figura a seguir apresenta um transformador ideal com o número de espiras de cada enrolamento indicado no diagrama, e com potência aparente nominal de 10 kVA.

(Arquivo pessoal; imagem usada com autorização)
A corrente nominal de secundário I2 do transformador é igual a